
- કેપિંગ ઝડપ: 15-30 ટુકડાઓ/મિનિટ
- રેટ કરેલ વોલ્ટેજ: 110V/60Hz (યુએસ સ્ટાન્ડર્ડ)
- મશીન પાવર: 0.8KW
- એમ્પીયર: 2.2A
- બાહ્ય પરિમાણ: 2230*1460*1600 MM(L*W*H)
- હવાનું દબાણ: 0.7 MPa
- વજન: લગભગ 300 KG
બોટલ્સ કેપિંગ મશીન શરૂ કરતા પહેલા સૂચના
1: મશીન પ્લગ ઇન થાય તે પહેલાં, ખાતરી કરો કે પાવર સ્વીચ બંધ સ્થિતિમાં છે, અને પછી સૂચનાને અનુસરો.
2: જો મશીન લાંબા સમય સુધી ચાલતું નથી, તો તેને સૂકા કપડાના ટુકડાથી સાફ કરવું જોઈએ અને કોઈપણ કાટ લાગતા સફાઈ એજન્ટથી સાફ કરવું જોઈએ નહીં.
3: મશીનના ઇલેક્ટ્રિક બોક્સમાં કોઈપણ પ્રવાહીને ઠાલવવા પર સખત પ્રતિબંધ છે, જેથી આંતરિક વિદ્યુત ઘટકોને કાટ ન લાગે અને શોર્ટ સર્કિટ થાય.
4: સાધનોના પેકિંગ સૂચિના મોડેલો, વિશિષ્ટતાઓ અને સાધનો અને સામગ્રીના જથ્થા અનુસાર તપાસો કે તેઓ ડિઝાઇન અને ઉત્પાદન ધોરણોની જરૂરિયાતોને પૂર્ણ કરે છે અને અનુરૂપતા પ્રમાણપત્રો સાથે છે.
5: ઉપકરણ કોઈપણ વિકૃતિ, નુકસાન અને કાટથી મુક્ત છે તેની ખાતરી કરવા માટે અને તમામ સ્પિન્ડલ્સ કે તેઓ કોઈપણ અવરોધ વિના લવચીક રીતે ફરતા હોવા જોઈએ તેની ખાતરી કરવા માટે તેનો દેખાવ તપાસો.
6: આ મશીન સિંગલ ફેઝ AC 110V હેઠળ કામ કરે છે, અને ફ્લેટ 3-પગવાળા પાવર પ્લગને ગ્રાઉન્ડ વાયર વડે પાવર સોકેટમાં પ્લગ કરવું જોઈએ.
ટેકનિકલ પરિમાણો

- કેપિંગ ઝડપ: 15-30 ટુકડાઓ/મિનિટ
- રેટ કરેલ વોલ્ટેજ: 110V/60Hz (યુએસ સ્ટાન્ડર્ડ)
- મશીન પાવર: 0.8KW
- એમ્પીયર: 2.2A
- બાહ્ય પરિમાણ: 2230*1460*1600 MM(L*W*H)
- હવાનું દબાણ: 0.7 MPa
- વજન: લગભગ 300 KG
કેપિંગ મશીન વિગતોમાં:



મશીનની રચનાઓ

ઓપ્ટિકલ ફાઇબર ઇલેક્ટ્રિક આઇ વર્ણન
બોટલો શોધવા માટે ઇલેક્ટ્રિક આંખ:

જ્યારે તેને ઓટોમેટિક મોડમાં ઓપરેટ કરવામાં આવે છે, ત્યારે આ ઈલેક્ટ્રીક આઈનો હેતુ આવનારી બોટલોને શોધવાનો છે.
જ્યારે ઇનકમિંગ બોટલ શોધી કાઢવામાં આવે છે, ત્યારે "ટર્નટેબલ" ફરે છે.
ઢાંકણ-ડિલિવરી ઇલેક્ટ્રિક આઇ

જ્યારે તે સ્વચાલિત મોડમાં સંચાલિત થાય છે, ત્યારે આ ઇલેક્ટ્રિક આંખનો હેતુ આવનારા કવરને શોધવાનો છે.
જ્યારે ઇનકમિંગ ઢાંકણ શોધી કાઢવામાં આવે છે, ત્યારે સામગ્રી લેવા માટે "ટેકિંગ-આઉટ મિકેનિઝમ" વધે છે.
ઢાંકણ-ડિલિવરી ઇલેક્ટ્રિક આઇ

જ્યારે તે સ્વચાલિત મોડમાં સંચાલિત થાય છે: આ ઇલેક્ટ્રિક આંખનો હેતુ આવનારી બોટલોને શોધવાનો છે.
જ્યારે ઇનકમિંગ બોટલ મળી આવે છે, ત્યારે "લોક કેપ મિકેનિઝમ" લોક કેપને નીચેની તરફ ફેરવે છે.
સ્વિચ બટન અને વાયરિંગ પોર્ટ
ટચ સ્ક્રીન અને ઇમરજન્સી સ્ટોપ

ફીડ મોટર અને ઢાંકણ વાઇબ્રેશન પ્લેટ નિયંત્રક

કંપન પ્લેટ નિયંત્રક

વાઇબ્રેશન પ્લેટ કંટ્રોલર: વોલ્ટેજ એડજસ્ટ કરીને, ડિસ્ચાર્જિંગ સ્પીડ એડજસ્ટ કરો.
પાવર સ્વીચ અને સોકેટ્સ

મોટર નિયંત્રક

ફ્રીક્વન્સી ટ્રાન્સફોર્મર: ફ્રીક્વન્સી ટ્રાન્સફોર્મર બટન એડજસ્ટ કરીને, મોટર સ્પીડ એડજસ્ટ કરો.
એલાર્મ અને ટ્રબલ-શૂટિંગ પદ્ધતિ:
1. ઇમરજન્સી સ્ટોપ દબાવવામાં આવ્યો છે. મશીન કેપ પર અને ટચ સ્ક્રીનની બાજુમાં ઇમરજન્સી સ્ટોપ્સને દબાણ કરો.
2. આઉટપુટ સેટ મૂલ્ય સુધી પહોંચે છે. આઉટપુટ સેટ કરો, વર્તમાન આઉટપુટ સાફ કરવા માટે સ્પષ્ટ બટન દબાવો.
3. જ્યારે કેપ્સ લાંબા સમય સુધી ન મળે, તો કૃપા કરીને તપાસો. બોટલ કેપ ઇન્ડક્શન ફાઇબર તપાસો કે તે સારી રીતે આપવામાં આવ્યું છે કે કેમ. તપાસો કે કેપ્સ જગ્યાએ છે કે નહીં.
4. જ્યારે લાંબા સમય સુધી બોટલો ન મળે, તો કૃપા કરીને તપાસો. બોટલો જગ્યાએ છે કે કેમ તે તપાસો.
ઇલેક્ટ્રિક આઇ એડજસ્ટિંગ:
એમ્પ્લીફાયર સ્ટ્રક્ચર

ઓપ્ટિકલ ફાઈબર માટે ડાયાગ્રામ:

1. ઓપ્ટિકલ ફાઈબર લોક બાર
2. ઓપરેટિંગ સ્થિતિ સૂચક
3. સેટ
4. DSC સૂચક પ્રકાશ
5. ડિજિટલ મોનિટર
6. મેન્યુઅલ બટન
7. વિસ્તૃત સુરક્ષા કવર
8. વિસ્તરણ કનેક્ટર
9. પાવર સિલેક્ટર સ્વિચ
10. મોડ બટન
11. આઉટપુટ સિલેક્ટર
12. કેબલ્સ
13. ડસ્ટ પ્રોટેક્ટર
14. મૂલ્ય સેટ કરો (લીલામાં)
15. વર્તમાન મૂલ્ય (લાલ રંગમાં)
ફાઇબર ઓપ્ટિકલ સેટિંગ માટે કાર્ય પ્રક્રિયા
- જ્યારે ઇલેક્ટ્રિક આંખ ગેપમાં પડે છે, ત્યારે લાલ વર્તમાન મૂલ્ય 144 છે.
- જ્યારે ઇલેક્ટ્રિક આંખ લેબલ પર પડે છે, ત્યારે લાલ વર્તમાન મૂલ્ય 4 છે.
- સેટ વેલ્યુને એડજસ્ટ કરો", જે વેલ્યુ ઈલેક્ટ્રિક આઈ બોડી પેપર પર છે તેના લગભગ 1/2 (શોધવાના પદાર્થો વચ્ચેના ગેપમાં) અને ઈલેક્ટ્રિક આઈ પેપર પર જે મૂલ્ય છે તે સેટ વેલ્યુ છે (144 4)/2=74, સેટ મૂલ્યને 74 કરવા માટે મેન્યુઅલ બટનને સમાયોજિત કરો.
- ઇલેક્ટ્રિક આંખના સ્થાન અને લાલ "સિગ્નલ લાઇટ/ઇન્ડિકેટર લાઇટ"માં લેબલ ગેપને આગળ અને પાછળ ખસેડો.
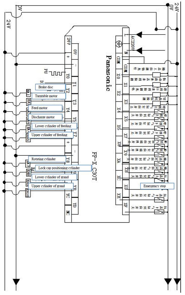
સર્કિટ ડાયાગ્રામ



જાળવણી બોટલ કેપીંગ મશીન

1. મશીનને વિસ્તૃત કરવા અને મશીનના કાર્યને ઑપ્ટિમાઇઝ કરવા માટે મશીનને તપાસવું અને જાળવવું જરૂરી છે;
- કામ કરતી મશીન દર ત્રણ મહિને જાળવવી જોઈએ;
- બેરિંગ અને ગિયર ટ્રાન્સમિશન ભાગને ગ્રીસ સાથે લ્યુબ્રિકેટેડ હોવું આવશ્યક છે;
- લ્યુબ્રિકેશન સમયાંતરે થવું જોઈએ;
- સ્લાઇડ વે ઓઇલ (N68) એ ભાગમાં ઉમેરવું જોઈએ જેમ કે રેસીપ્રોકેટીંગ મિકેનિઝમ મોશન અથવા દરરોજ બે વખત લિફ્ટિંગ;
- ઓટોમોબાઈલ તેલ(N68) રોટરી અથવા સ્વિંગિંગ ભાગોમાં ઉમેરવું જોઈએ;
- દર અડધા મહિને કેમ સ્લોટમાં ગ્રીસ ઉમેરો;
- ગ્રીસ ઉમેરીને તેલ નોઝલ માટે દર મહિને એક વખત;
2. ધાતુના સાધનોનો ઉપયોગ ક્યારેય ન કરો કે સપાટીને હિટ કરવા અથવા ઉઝરડા કરવા માટે જ્યાં બોન્ડિંગ ઘટકો અથવા ઘાટ જેવા ભાગો પર સંકલિત હોય.
3. જો મશીન લાંબા સમય સુધી ચાલવાનું બંધ કરે તો ટ્રાન્સમિશન અથવા બેરિંગ પાર્ટ જેવા ભાગોમાં લ્યુબ્રિકેશન માટે ગ્રીસ ઉમેરો; વોટર-પ્રૂફ પ્રોટેક્શન સાથે મશીનને પણ ટ્રીટ કરો.
4. મશીન પર કોઈ પણ વસ્તુ ક્યારેય ન મુકો જેથી મશીનને નુકસાન ન થાય.
5. ઘટકોની અંદરની ધૂળને સમયાંતરે સાફ કરો તમામ સ્ક્રૂને પણ તપાસો અને કોઈપણ સ્ક્રૂ ઢીલો હોય તેને ઠીક કરો.
6. ચોક્કસ સમયે વાયરિંગ માટે ટર્મિનલ્સમાં સ્ક્રૂ તપાસો અને ખાતરી કરો કે સ્ક્રૂ નિશ્ચિત છે;
7. ઇલેક્ટ્રિક બોક્સમાંથી ખેંચાયેલા વાયરિંગ પાથમાં કોઈ છૂટક સ્ટેશન છે કે કેમ તે તપાસો; જો ભાગ ખૂબ ઢીલો હોય તો ઇન્સ્યુલેશન લેયરમાં ઘર્ષણ અથવા નુકસાન ટાળવા માટે સ્ક્રુને ફરીથી ઠીક કરો જે ઇલેક્ટ્રિક લીકેજનું કારણ બની શકે છે.
8. સહેલાઈથી પહેરવામાં આવતા પેટ્સને તપાસો અને ક્ષતિગ્રસ્તને સમયસર બદલો;









